六角ナット 富田螺子株式会社
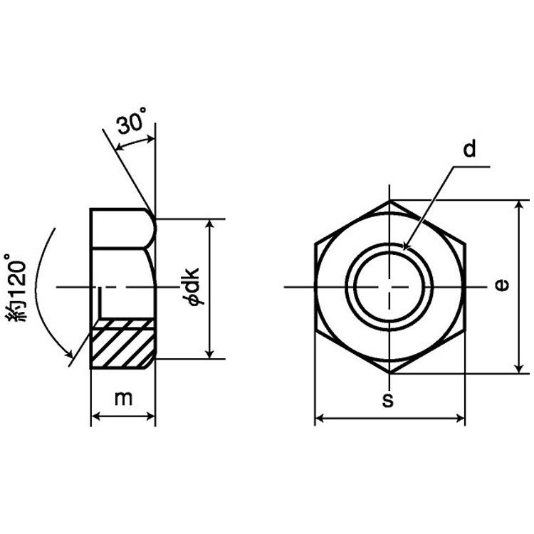
Webそれぞれ上から見た形状は同じですが、座面の有無、厚みに違いがあります。 1種 ・・・ 片側のみに面取りがあり、締め付け方向が決まっています。 一般的にナットと言われるものです。Web 同じトピック 六角 ナット 1 種 2 種 使い分け 鋼 S45C (H)六角ナット (2種) (細目) 細目ねじ— 並目より細かいピッチ (山と山の間隔)で、振動による緩み止めが大きな目的で
六角ナット 1種 2種 3種 スタイル1
六角ナット 1種 2種 3種 スタイル1-Web六角ナットには1種、2種、3種の3種類があります。 厚みと面取りの方法に違いがあります。 (面取りとは六角の角をとる加工のとこです) 単にナットという場合は、通常六角ナット1Web 六角ナットにおける、1種ナットと2種ナットの使い分けを教えてください。 工学 DIY ・ 8,281 閲覧 1人 が共感しています ベストアンサー このベストアンサーは投票で選ば
値引 ネジショップ店六角ナット 1種鉄m25以上黒皮a 600 ナット 1シュ M16 A 600 インコネル600相当材 生地 または標準 Tech Muhoko Org
Web一般的な六角ナットは以下3種類です。 六角ナットにはワッシャー(座金)やスプリングワッシャーも併用することがあります。 1種・・・片側のみ面取りがある。 2種・・・両側に面取Web六角ナットについて スパナやメガネレンチを使用し締結します。 六角ナットには1種2種3種があり、一番使用されるのが1種で一般的に「六角ナット」といえばこの1種を指します。 1種Web六角ナットには1種2種3種があり、一番使用されるのが1種で 一般的に「六角ナット」といえばこの1種を指します 。 1種は片方のみ面取りがあり、2種は両方に面取りがあります。 3種は厚みが薄いタイプになっています(実は4種もありますがほとんど流通がありません)。 *面取り・
Web 高ナットは高力ボルトとセットで造船・建築・ 橋梁、プラントなどの用途で使われ、より強い とされる (専門家は歴史的経過だけとも)Web 一般的な六角ナットは、主に1種・2種・3種の3つのタイプがあります。 1種:片面のみが面取りされている六角ナット 2種:両面が面取りされている六角ナット 3種:1種Web 1512 ナットの1種と2種の違いは、見た目で1種は片側面取りのみで2種は両方面取りしていますが、その他の違いは何ですか? 今現在、1種のナットとスプリ
六角ナット 1種 2種 3種 スタイル1のギャラリー
各画像をクリックすると、ダウンロードまたは拡大表示できます
![]() | ![]() | |
![]() | ![]() | |
![]() | ![]() | ![]() |
「六角ナット 1種 2種 3種 スタイル1」の画像ギャラリー、詳細は各画像をクリックしてください。
![]() | ![]() | |
![]() | ![]() | |
![]() | ![]() | ![]() |
「六角ナット 1種 2種 3種 スタイル1」の画像ギャラリー、詳細は各画像をクリックしてください。
![]() | ![]() | |
![]() | ![]() | ![]() |
![]() | ![]() | ![]() |
「六角ナット 1種 2種 3種 スタイル1」の画像ギャラリー、詳細は各画像をクリックしてください。
![]() | ![]() | ![]() |
![]() | ![]() | ![]() |
![]() | ||
「六角ナット 1種 2種 3種 スタイル1」の画像ギャラリー、詳細は各画像をクリックしてください。
![]() | ![]() | ![]() |
![]() | ||
![]() | ![]() | ![]() |
「六角ナット 1種 2種 3種 スタイル1」の画像ギャラリー、詳細は各画像をクリックしてください。
![]() | ![]() | ![]() |
![]() | ![]() | ![]() |
![]() | ![]() | |
「六角ナット 1種 2種 3種 スタイル1」の画像ギャラリー、詳細は各画像をクリックしてください。
![]() | ![]() | |
![]() | ![]() | ![]() |
![]() | ![]() | |
「六角ナット 1種 2種 3種 スタイル1」の画像ギャラリー、詳細は各画像をクリックしてください。
![]() | ||
![]() | ![]() | |
![]() | ||
「六角ナット 1種 2種 3種 スタイル1」の画像ギャラリー、詳細は各画像をクリックしてください。
![]() | ![]() | ![]() |
![]() | ![]() | ![]() |
![]() | ![]() | |
「六角ナット 1種 2種 3種 スタイル1」の画像ギャラリー、詳細は各画像をクリックしてください。
![]() | ![]() | ![]() |
![]() | ![]() | ![]() |
![]() | ![]() | ![]() |
「六角ナット 1種 2種 3種 スタイル1」の画像ギャラリー、詳細は各画像をクリックしてください。
![]() | ![]() | |
![]() | ![]() | ![]() |
![]() | ![]() | |
「六角ナット 1種 2種 3種 スタイル1」の画像ギャラリー、詳細は各画像をクリックしてください。
![]() | ||
![]() | ![]() |
Web JIS規格のナット3種類の違い ナットの場合はJIS規格では 1種、2種、3種と種類があり、形(仕上げ)が異なる3種類があります。 この3種類は簡単ですので違いくらいはWeb1種高型:厚みがあり、六角の部分に溝が刻んである。 2種低型:薄く、溝が六角の部分の上にある。 1種低型:薄く、六角の部分に溝が刻んである。 フランジナット ネジの締結力を大きく
Incoming Term: ナット 1 種 2 種 3 種, ナット 1種 2種 3種 使い分け, 六角ナット 1種 2種 3種 スタイル1, ナット 一種 二種 三種 使い分け, ナット 種類 1種 2種 3種 使い分け, ナット 1種 2種 3種 用途, ナット 1種 2種 3種 違い 用途, 六角ナット 1種 規格 寸法表, ナット 種類 1種 2種 3種, ナット 1種 2種 3種 違い, ナット 1種 2種 3種 規格, ナット 1種 2種 3種 強度,



















































































0 件のコメント:
コメントを投稿